





5
1 / 10
179
,80 zł
z 60 szt.
Dostawa
Darmowa dostawa. Dostawa u Ciebie we wtorekSZCZEGÓŁY
ZAPŁAĆ PÓŹNIEJ
SZCZEGÓŁY
Sprzedawca
Tradimerce
4.3
SZCZEGÓŁY
Zwroty
14 dni na odstąpienie od umowy
SZCZEGÓŁY

179.80 zł
Parametry
Stan
nowy
EAN
5900378969938
Opis
✔️Kompleksowa ochrona przed przepięciami atmosferycznymi i łączeniowymi klasy B+C.
✔️ Niezwykle krótki czas reakcji poniżej 25 ns i wysoki prąd udarowy do 60 kA.
✔️ Trwała konstrukcja odporna na ekstremalne warunki temperaturowe i wilgotnościowe.
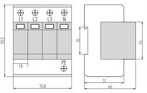
✔️ Łatwy montaż na szynę TH35 i wygodny monitoring stanu dzięki wizualnemu wskaźnikowi.
Ten wysokiej jakości ochronnik przepięciowy OPX-2P-B+C oferuje niezawodną ochronę przed przepięciami atmosferycznymi i łączeniowymi. Jego zaawansowana konstrukcja i certyfikaty CE oraz EN-61643-11 gwarantują bezpieczeństwo Twojej instalacji elektrycznej.
Dzięki czasowi reakcji poniżej 25 ns i prądowi udarowemu do 60 kA, ten ochronnik skutecznie neutralizuje niebezpieczne przepięcia, chroniąc Twoje urządzenia przed uszkodzeniem.
Wykonany z wysokiej jakości materiałów, ten ochronnik jest przeznaczony do pracy w szerokim zakresie temperatur od -40°C do +80°C oraz wilgotności od 30% do 90%. Jego solidna budowa zapewnia długotrwałą i niezawodną ochronę.
Kompaktowa konstrukcja i montaż na szynę TH35 ułatwiają instalację tego ochronnika. Dodatkowo, wizualny wskaźnik stanu umożliwia łatwe monitorowanie jego działania.
✅ Stan: Nowy
✅ Marka: Adelid
✅ Rodzaj: ogranicznik przepięć
✅ Waga produktu z opakowaniem jednostkowym: 0.2 kg
✅ Kod producenta: AC PRZEPIĘCIOWY ODGROMNIK 1-FAZ 1F+N
✅ EAN (GTIN): 5900378969938
✅ Prąd znamionowy: 125 A
✅ Stan opakowania: oryginalne
✅ Napięcie pracy: 385 V
✅ Stopień ochrony IP: IP20
✅ Kolor: szary
✅ Informacje o bezpieczeństwie: CE
✅ Klasa szczelności: IP20
✅ KLASA: B + C [T1] [T2]
✅ Up: 1,5kV
✅ In / Imax: 30kA / 60kA
✅ WYMIARY: 36 x 81 x 68 mm
Numer oferty: 58798325
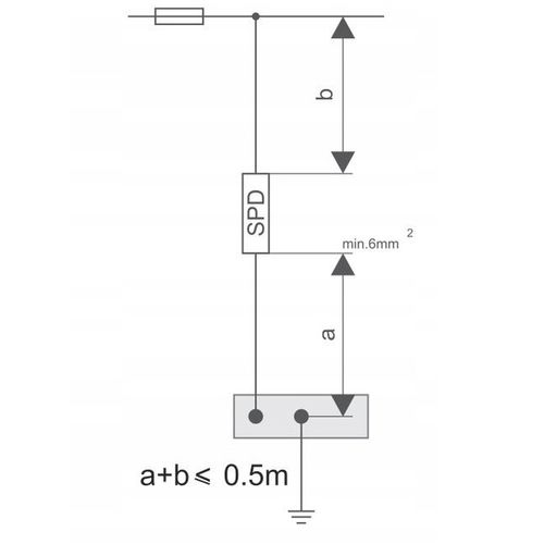
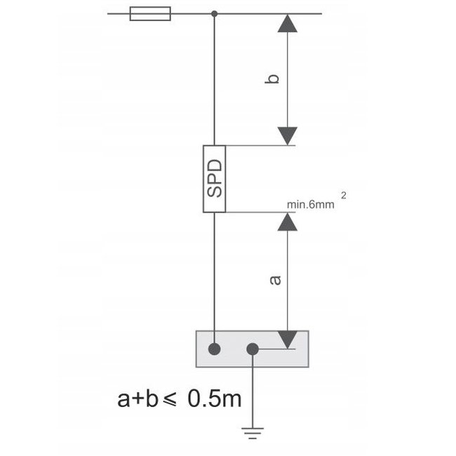
Informacje dotyczące bezpieczeństwa i zgodności
Rozbudowany opis produktu wygenerowany automatycznie, niewiążący dla sprzedawcy i mający charakter wyłącznie informacyjny.
Porównaj produkty
Stan
nowy
EAN
5900378969938
Stan
nowy
EAN
5900378969938
Najczęściej kupowane
Inni klienci oglądali również
Nowe produkty