





11
1 / 16
107
,09 zł
z 16 szt.
Dostawa
Darmowa dostawa. Dostawa w punkcie pojutrzeSZCZEGÓŁY
ZAPŁAĆ PÓŹNIEJ
SZCZEGÓŁY
Sprawdzony sklep | Kupujesz od firmy
ZarazMasz
3.9
SZCZEGÓŁY
Zwroty
14 dni na odstąpienie od umowy
SZCZEGÓŁY

107.09 zł
Parametry
Stan
nowy
EAN
4260509460026
Opis
1✔️Trwała i solidna konstrukcja ze stali malowanej proszkowo, zapewniająca długowieczność i odporność na korozję.
✔️ Łatwy i szybki montaż dzięki wysokiej jakości wkrętom ze zintegrowanymi podkładkami oraz kołkom rozporowym.
✔️ Kształt i wymiary identyczne jak główka haka holowniczego, gwarantujące stabilność i wygodę przechowywania bagażnika w pozycji pionowej.
✔️ Maksymalna nośność aż 50 kg, umożliwiająca bezpieczne przechowywanie nawet największych i najcięższych bagażników rowerowych.
Ten uchwyt ścienny na bagażnik rowerowy wykonany jest z najwyższej jakości stali malowanej proszkowo, co zapewnia mu wytrzymałość i odporność na korozję. Dzięki temu możesz mieć pewność, że Twój bagażnik będzie bezpiecznie przechowywany przez długie lata.
Produkt ten wyróżnia się prostotą instalacji. W zestawie znajdują się wysokiej jakości wkręty ze zintegrowanymi podkładkami oraz kołki rozporowe, które gwarantują stabilne i pewne zamocowanie uchwytu do ściany. Dzięki temu możesz cieszyć się profesjonalnym i estetycznym rozwiązaniem bez zbędnych komplikacji.
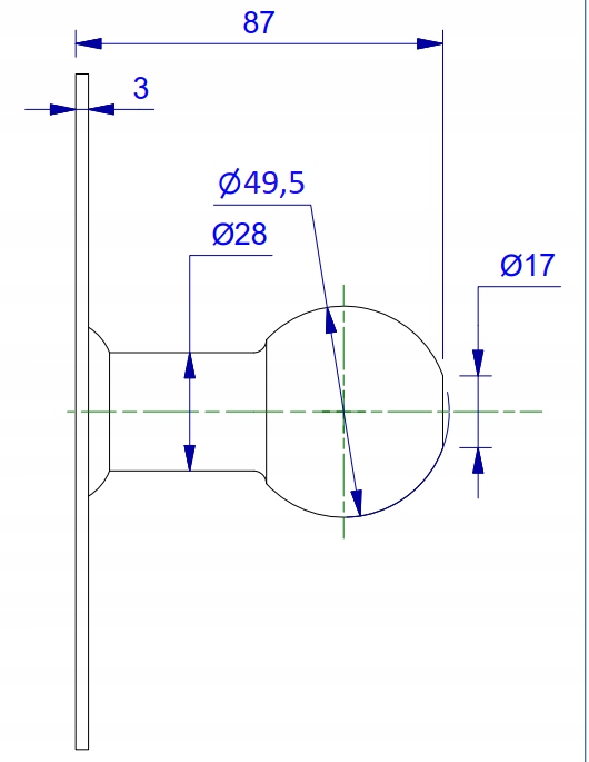
Uchwyt posiada kształt i wymiary identyczne jak główka haka holowniczego, co zapewnia perfekcyjne dopasowanie i stabilność zamontowanego bagażnika. Przechowywanie w pozycji pionowej pozwala na oszczędność cennej przestrzeni w garażu czy piwnicy.
Ten solidny uchwyt ścienny został zaprojektowany z myślą o dużych obciążeniach. Jego maksymalna nośność wynosi aż 50 kg, co daje pewność, że bez problemu utrzyma nawet największe i najcięższe bagażniki rowerowe.
✅ Stan: Nowy
✅ Producent: inny
✅ Liczba rowerów: brak informacji
✅ Model: USB-01
✅ Kolor: czarny
✅ Typ uchwytu: wieszak
✅ Nośność uchwytu: 50 kg
✅ EAN (GTIN): 4260509460026
✅ Kod producenta: USB-01
Numer oferty: 58675530
Informacje dotyczące bezpieczeństwa i zgodności
Porównaj produkty
Stan
nowy
EAN
4260509460026
Stan
nowy
EAN
4260509460026
Stan
nowy
EAN
4260509460026
Najczęściej kupowane
Promowany

Global_Rabat_pl
4.1
Promowany

PrzydaSiepl
4.7
Inni klienci oglądali również