





8
1 / 13
1 309
,98 zł
z 60 szt.
Dostawa
Darmowa dostawa. Dostawa u Ciebie pojutrzeSZCZEGÓŁY
ZAPŁAĆ PÓŹNIEJ
SZCZEGÓŁY
Sprzedawca
Handelable
4.7
SZCZEGÓŁY
Zwroty
14 dni na odstąpienie od umowy
SZCZEGÓŁY

1 309.98 zł
Parametry
Stan
nowy
EAN
5903021747235
Opis
✔️Wytrzymała konstrukcja z profili aluminiowych 40x40 mm i długości 2500 mm zapewniająca stabilność i bezpieczeństwo montażu.
✔️ Uniwersalne zastosowanie w różnych systemach montażu paneli fotowoltaicznych dzięki innowacyjnej konstrukcji.
✔️ Szybki i łatwy montaż dzięki systemowi łączników i dostosowaniu do popularnych rozmiarów śrub i nakrętek.
✔️ Staranne pakowanie gwarantujące bezpieczny transport i dostawę szyn w nienaruszonym stanie.
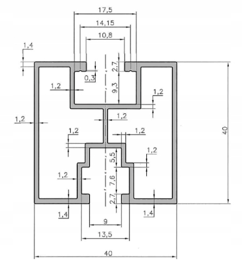
Szyna montażowa do paneli fotowoltaicznych została wykonana z wysokiej jakości materiałów, gwarantujących niezawodność i długą żywotność. Charakteryzuje się solidną konstrukcją z profili aluminiowych o wymiarach 40x40 mm i długości 2500 mm, co zapewnia stabilność i bezpieczeństwo podczas montażu instalacji fotowoltaicznych.
Jej innowacyjna konstrukcja umożliwia zastosowanie w różnych systemach montażu paneli fotowoltaicznych, takich jak systemy dwugwintowe, haki, ekierki, instalacje naziemne czy trackery. Dolny kanał szyny jest idealnie dopasowany do śrub M10, a górny do nakrętek kwadratowych M8, ułatwiając montaż klem mocujących panele.
Szyna wyposażona jest w system łączników umożliwiających szybkie i proste łączenie profili, co znacznie ułatwia i przyspiesza proces montażu całej instalacji. Produkt ten stanowi kompletne rozwiązanie dla profesjonalnych instalatorów systemów fotowoltaicznych.
Zaufanie do produktu to kluczowy aspekt w branży fotowoltaicznej. Dlatego szyny są pakowane z największą starannością, co gwarantuje ich bezpieczny transport i dostawę w nienaruszonym stanie. Solidne opakowanie chroni przed uszkodzeniami podczas przesyłki.
✅ Stan: Nowy
✅ Marka: inny (Tombig)
✅ Rodzaj: profil montażowy
✅ Długość: 2.5 m
✅ Kod producenta: KP5832- 2500 MM
Numer oferty: 59133585
Informacje dotyczące bezpieczeństwa i zgodności
Rozbudowany opis produktu wygenerowany automatycznie, niewiążący dla sprzedawcy i mający charakter wyłącznie informacyjny.
Porównaj produkty
Najczęściej kupowane
Inni klienci oglądali również
Nowe produkty