





7
1 / 12
798
,00 zł
z 60 szt.
Dostawa
Darmowa dostawa. Dostawa u Ciebie we wtorekSZCZEGÓŁY
ZAPŁAĆ PÓŹNIEJ
SZCZEGÓŁY
Sprzedawca
Handelove
SZCZEGÓŁY
Zwroty
14 dni na odstąpienie od umowy
SZCZEGÓŁY

798.00 zł
Parametry
Stan
nowy
EAN
5907796682647
Opis
✔️Precyzyjne pomiary rezystancji uziemienia w zakresach do 2000Ω z dokładnością ±(2%+3), wsparte metodami 2- i 3-przewodowymi dla niezawodnych wyników w systemach energetycznych i ochronie odgromowej.
✔️ Czytelny wyświetlacz LCD z podświetleniem i wskaźnikami stanu, umożliwiający pracę w trudnych warunkach oświetleniowych bez utraty precyzji.
✔️ Solidna obudowa odporna na uderzenia, ergonomiczny design oraz kompletny zestaw akcesoriów, w tym przewody i uziomy, dla łatwego transportu i natychmiastowego użycia.
✔️ Zgodność z normami CE i RoHS, potwierdzająca wysoką jakość materiałów i bezpieczeństwo, z opcją bezpłatnego raportu kalibracji dla dodatkowej pewności.
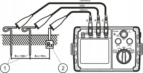
Miernik rezystancji uziemienia Benetech GT5105A wyróżnia się precyzyjną konstrukcją i niezawodnymi pomiarami, umożliwiając dokładne testy uziemień metodą 3-przewodową lub prostą 2-przewodową. Wyposażony w czytelny wyświetlacz LCD z podświetleniem, zapewnia klarowne wyniki nawet w słabo oświetlonych warunkach, co gwarantuje pewność i efektywność w każdej aplikacji.
Ten miernik oferuje wszechstronne funkcje, w tym pomiar rezystancji gleby, potencjału ziemi oraz spadku napięcia w uziomie, z automatycznym wskazaniem przekroczenia zakresu i wskaźnikiem stanu baterii. Ergonomiczny kształt i solidna obudowa z tworzywa odpornego na uderzenia ułatwiają codzienne użytkowanie, zapewniając trwałość i wygodę podczas pracy na budowie czy w serwisie.
Wykonany z wysokiej jakości materiałów, miernik Benetech GT5105A spełnia rygorystyczne normy CE i RoHS, co potwierdza jego niezawodność i bezpieczeństwo. Zestaw zawiera niezbędne akcesoria, takie jak uziomy pomocnicze, przewody o długościach 5m, 10m i 20m z zaciskami krokodylkowymi, baterie AA oraz praktyczną torbę materiałową, umożliwiając natychmiastowe rozpoczęcie precyzyjnych pomiarów bez dodatkowych zakupów.
Zasilany bateriami AA, miernik jest energooszczędny i gotowy do pracy w terenie, z niskim napięciem uziomu poniżej 10V AC dla maksymalnego bezpieczeństwa. To narzędzie, które nie tylko mierzy, ale i buduje zaufanie do Twoich instalacji elektrycznych, oferując profesjonalną jakość dostosowaną do potrzeb elektryków i instalatorów.
✅ Stan: Nowy
✅ Marka: Benetech
✅ Typ: ręczny
✅ Waga produktu z opakowaniem jednostkowym: 2.75 kg
✅ EAN (GTIN): 5907796682647
✅ Pomiar: ciągłość, napięcie przemienne AC, napięcie stałe DC, rezystancja
Numer oferty: 61888593
Informacje dotyczące bezpieczeństwa i zgodności
Porównaj produkty
Stan
nowy
EAN
5907796682647
Stan
nowy
EAN
5905072880794
Najczęściej kupowane
Inni klienci oglądali również
Nowe produkty